Originalzubehör und Ersatzteile von Qooder

Originalzubehör und Ersatzteile von Qooder

Parts finder

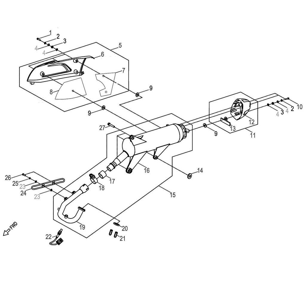
Qv3 TAC63306 > Exhaust pipe
Exhaust pipe
Item Description P/N Q.ty(1) Note
1 Bolt QS500060228SUL 3
2 Washer QS1060617002000 6
3 Grommet QS16129208000 6
4 Washer QS071900500B 12
5 Asm., Shield, front Pipe, Exhaust QS18290011850 1
6 Shield, front Pipe, Exhaust QS1830851T85 1
7 Insulator, Silencer QS20207000 1
8 Insulator, Silencer QS320206000 1
9 Gasket QS941020625300002 6
10 Bolt QS500060258SUL 3
11 Asm., Shield, Silencer QS18290012131 1
12 Shield, Silencer QS31151T131 1
13 Insulator, Silencer QS183202040 3
14 Washer QS108102802500K 3
15 Asm., Exhaust Pipe QS18300328000 1
16 Silencer QS18298328000 1
17 Collar QS1832120100A 1
18 Clamp, Exhaust Pipe QS18322203 1
19 Pipe, Exhaust, Front QS182992400 1
20 Gasket QS291S38000 1
21 Nut QS3010800000C 2 M8*P1.25
22 Sensor, O2 QSAA000441-00 1
23 Gasket QS941020615012000 4
24 Shield, Exhaust QS18315S38 1
25 Washer, Spring QS1110711015SUS 2
26 Bolt QS00060168SUL 2
27 Bolt QS00010050800K 3 M10*P1.25*50L

Q.TY(1) = Mindestmenge erforderlich