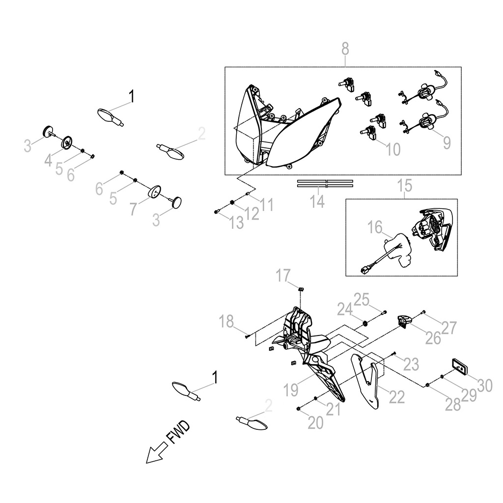
| Item | Description | P/N | Q.ty(1) | Note |
|---|---|---|---|---|
| 1 | Asm., Signal, Front/Rear RH | QS400219000 | 2 | |
| 2 | Asm., Signal, Front/Rear, LH | QS450219000 | 2 | |
| 3 | Reflector | QS33741209 | 2 | |
| 4 | Base, reflector RH | QS33421010000 | 1 | |
| 5 | Washer | QS94101061901000C | 2 | φ6.1*φ19*t1 |
| 6 | Nut | QS3500600000K | 2 | M6*P1.0 |
| 7 | Base, reflector LH | QS33422010 | 1 | |
| 8 | Asm., Headlight | QS100237000 | 1 | |
| 9 | Led Light Comp | QS202202001 | 2 | |
| 10 | Bulb, Headlight | QS901222000 | 4 | |
| 11 | Tube, Spacer | QS810215000 | 3 | |
| 12 | Grommet | QS129204000 | 3 | |
| 13 | Bolt | QS00706020800K | 3 | |
| 14 | Foam | QS19626S380 | 2 | |
| 15 | Asm,. Taillight | QS70062U001 | 1 | |
| 16 | Led Light Comp | QS202203002 | 1 | |
| 17 | Nut-U | QS12120300B | 3 | |
| 18 | Screw | QS903105012800K | 4 | M5*12L |
| 19 | License Plate | QS70862U001 | 1 | |
| 20 | Nut | QS3500500000K | 3 | M5*P0.8 |
| 21 | Washer | QS101051401000K | 3 | φ5.1*φ14*t1 |
| 22 | Guard, Mud | QS11362U000 | 1 | |
| 23 | Bolt | QS10005016800K | 3 | M5*P0.8*16L |
| 24 | Washer | QS150071705000K | 2 | φ7.1*φ17*t5 |
| 25 | Bolt | QS00706016800K | 2 | M6*P1.0*16L W/Washer |
| 26 | Asm., License Light | QS750202000 | 1 | |
| 27 | Bolt | QS10005016800K | 1 | M5*P0.8*16L |
| 28 | Nut | QS0500500000C | 1 | M5*P0.8 |
| 29 | Washer | QS101051401000K | 1 | φ5.1*φ14*t1 |
| 30 | Reflector | QS741201000 | 1 |
Q.TY(1) = Minimum quantity required