Original Qooder accessories and spare parts

Original Qooder accessories and spare parts

Parts finder

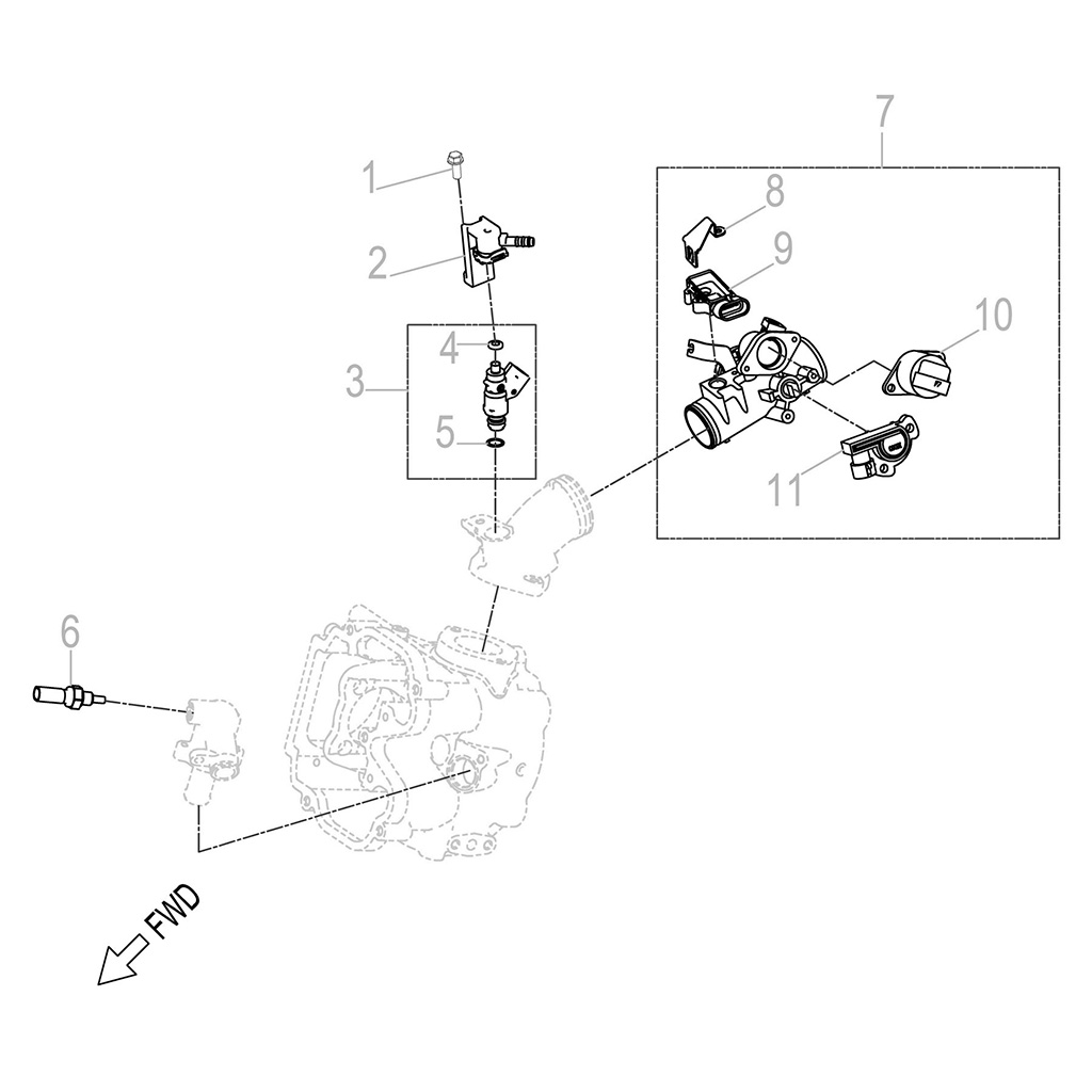
Quadro 3 Euro4 V3 TAC63303 > Electric fuel injection
Electric fuel injection
Item Description P/N Q.ty(1) Note
1 Bolt QS00006016808C 1 M6*P1.0*16L
2 Adaptor, Fuel Injector QS21736I000 1
3 Fuel Injector QS21069N000 1
4 O-Ring QS21400642 1
5 O-Ring QS21400924 1
6 Sensor, Water Temperature QS93069I000 1
7 Asm., Throttle Body QS20050S000 1
8 Mount, T-Map QS23222R000 1
9 Sensor, T-Map QS23122R000 1
10 Valve, Idle Air Controller, IAC QS24050S000 1
11 Sensor, TPS QS91622R000 1

Q.TY(1) = Minimum quantity required