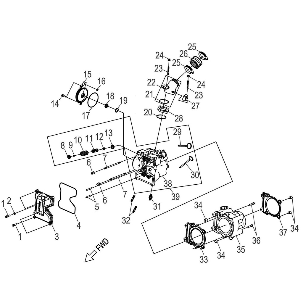
| Item | Description | P/N | Q.ty(1) | Note |
|---|---|---|---|---|
| 1 | Bolt | QS00006025808C | 6 | M6*P1.0*25L |
| 2 | Washer | QS101061201000U | 1 | φ6.5*φ12*t1 |
| 3 | Asm., Head Cover | QS1231080B000 | 1 | |
| 4 | Gasket , Head Cover | QS1239180B000 | 1 | |
| 5 | Pin, Dowell | QS47569S000 | 2 | |
| 6 | Nut | QS0220600000C | 2 | |
| 7 | Stud | QS9100106130800C | 2 | |
| 8 | Retainer, Valve, Spring | QS14771119000 | 4 | |
| 9 | Clip, Retainer | QS14781119000 | 8 | |
| 10 | Spring, Valve, Outer | QS1475180B000 | 4 | |
| 11 | Spring, Valve, Inner | QS1476180B000 | 4 | |
| 12 | Seal, Valve | QS1220922R000 | 4 | |
| 13 | Seat, Valve, Spring, Outer | QS14775120000 | 8 | |
| 14 | Bolt | QS00006020808C | 2 | M6*P1.0*20L |
| 15 | Cover, Head , RH | QS1233180B000 | 1 | |
| 16 | O-Ring | QS9321408020 | 1 | |
| 17 | O-Ring | QS21600725 | 1 | |
| 18 | Seal, Oil | QS500122205FKM | 1 | |
| 19 | Clip, Cir | QS5122200R | 1 | |
| 20 | Gasket, Manifld Intake | QS17103120000 | 1 | |
| 21 | Gasket, Manifld Intake | QS17103120000 | 1 | |
| 22 | Asm., Manifold, Intake | QS1710080B000 | 1 | |
| 23 | Stud | QS9100106045800C | 2 | |
| 24 | Nut | QS0500600000C | 2 | M6*P1.0 |
| 25 | Strap | QS52004064 | 2 | |
| 26 | Adapter, Carburetor | QS1614680B000 | 1 | |
| 27 | Bracket, Brake Switch | QS465202000 | 1 | |
| 28 | Insulator, Cylinder head | QS1711280B000 | 1 | |
| 29 | Valve, Intake | QS1471180B000 | 2 | |
| 30 | Valve, Exhaust | QS1472180B000 | 2 | |
| 31 | Plug, Spark | QS9807650N000 | 1 | |
| 32 | Stud | QS001080468C | 2 | |
| 33 | Gasket Set | QS1225080D000 | 1 | |
| 34 | Pin, Dowel | QS9430112140 | 4 | |
| 35 | Cylinder | QS1210080B000 | 1 | |
| 36 | Bolt | QS00006030808C | 2 | M6*P1.0*30L |
| 37 | Gasket, Cylinder | QS1219180B000 | 1 | |
| 38 | Head, Cylinder | QS1220180D001 | 1 |
Q.TY(1) = Minimum quantity required